Designed for the gear cutting operator who needs additional accuracy, rigidity and reduction of imperfections in the work-pieces geometry, the fixed pins face driver allows to improve and maintain the high quality of the pins, with great applicability also for work-pieces of different sizes.
For robotic applications, the face driver gives a fixed reference point for the gear cutting load and position. All this is ensured by the clamping of the work-piece between two dead centers, preventing unwanted movements.
As all FRB face drivers, the maximum applicability on all types of systems is guaranteed.
Product Features
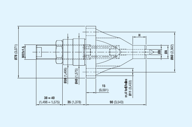
Movable center and fixed teeth
Providing movable center and fixed teeth for better performance
Driving Bodies
Driving bodies with a usually extended shape to allow the hobbing tool to exit easily.
HSS Steel Body
Through-hardened HSS steel body, resulting in endless sharpening

